한성폴리텍

공정도

홈 > 사업안내 > 공정도

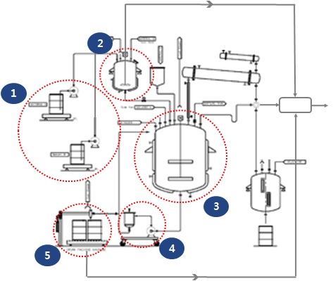
[ Pressure Sensitive Adhesives of Acrylic Copolymers ]

Pressure Sensitive Adhesives of Acrylic Copolymers
주소 : 경기도 김포시 대곶로 318번길 109호 한성폴리텍(주) Tel. 031-996-7731~2 | Fax. 031-996-7730

Copyright ⓒ hu4902.s19.hdweb.co.kr All rights reserved.

관리자로그인 현대이지웹 바로가기